
主要特點

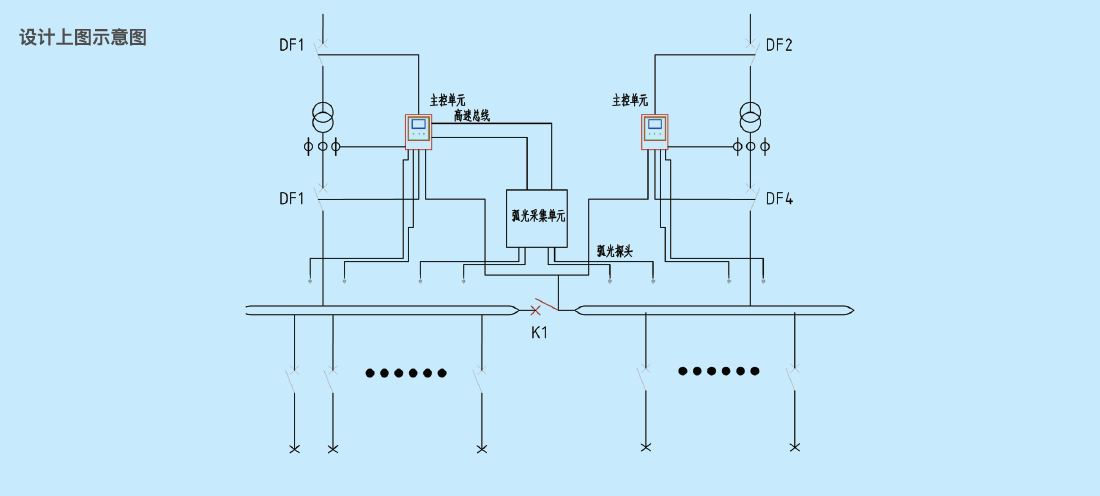
電弧光保護裝置主要由主控單元(含弧光采集單元)和弧光傳感器組成,為了適應現場的應用需求,分為了母線型弧光保護系統和饋線型弧光保護系統。
主控單元是弧光保護系統的核心。它檢測分析故障信號、接收分析采集單元的弧光故障信號,并對兩種信號進行綜合分析判斷。
弧光擴展采集單元與主控單元配合使用,是弧光保護系統的重要組成部分,主要用于采集故障弧光,并將判斷后的結果通過高速總線傳遞給主控單元。
弧光傳感器中的探頭安裝在柜內各間隔中,可實現由簡單到復雜、有選擇性的保護。弧光探頭作為光感應元件,在發生弧光故障時檢測突然增加的光強。主流應用分為光纖式弧光傳感器和電纜式弧光傳感器兩種。
適用場合

在中、低壓母線短路故障中,重點設備和人員傷害主要由電弧光引起,然而我國的大多數中低壓母線沒有設置快速母線保護,而只是采用了簡單的消弧裝置和變壓器后備保護。電弧光保護裝置提供此保護。
運行環境

允許偏差
三相電壓 同步變化不大于±20%失真度<5%,
波形 正弦波
頻率 50Hz±5%
環境溫度 -20℃~+50℃
相對濕度 20℃時,不超過90%
海拔高度 ≤4000m
環境 無導電粉塵,可承受的最大污染度:2級
產品型號及說明

AX①HGD②-6000③
說明:
[1]企業代碼
[2]產品系列
[3]6000(主控單元)6300(弧光擴展采集單元)

